您當前的位置:首頁 > 產品中心 > NMRV鋁合金蝸輪蝸桿減速機
下一篇:雙級微型RV減速機,單級微型RV減速機,聯體小型RV減速機
詳細介紹:
東莞臺機減速機公司(臺灣天機牌)生產銷售的NMRV減速電機,蝸輪蝸桿減速電機,鋁合金減速電機都是屬于減速電機系列,該系列產品規格齊全,轉速范圍廣,通用性好,適應各種安裝方式,性能安全可靠壽命長,實施了國際標準要求。機體表面凹凸具有散熱作用,吸振強,低溫升,低噪音。NMRV減速電機,蝸輪蝸桿減速電機,鋁合金減速電機使用事項:
1、NMRV鋁合金渦輪渦桿減速機使用環境低于-30℃或者高于60-30℃,必須更換特殊材質的油封;
2、與NMRV減速機配套的電機必須適合在低溫環境中工作,而電機的功率必須要滿足在低溫起動時的扭矩要求;
3、在準備投放使用前滑潤油的粘度會較高,應當先讓機器空載試運轉后再加載,避免導致設備故障;
4、第一關次使用NMRV鋁合金渦輪渦桿減速機時,在其運轉150-400小時后更換潤滑油,以后的換油減速機周期小于或等于4000小時;
5、定期檢查油的份量和質量,保留足夠潤滑油,及時更換混入雜質或變質的油。NMRV減速機的操作系數是取決于實際操作環境的,當選擇合適的服務系數必須考慮在輸出端的負載性質、每天運轉的時間以及啟動的頻率等等因素。

NMRV減速電機,蝸輪蝸桿減速電機,鋁合金減速電機特點:蝸輪減速電機使用蝸輪蝸桿可以得到很大的傳動比,比交錯軸斜齒輪機構緊湊兩輪嚙合齒面間為線接觸,其承載能力大大高於交錯軸斜齒輪機構,蝸桿傳動相當於螺旋傳動,為多齒嚙合傳動,故傳動平穩、噪音很小,具有自鎖性。當蝸桿的導程角小於嚙合輪齒間的當量摩擦角時,機構具有自鎖性,可實現反向自鎖,即只能由蝸桿帶動蝸輪,而不能由蝸輪帶動蝸桿。如在起重機械中使用的自鎖蝸桿機構,其反向自鎖性可起安全保護作用。傳動效率較低,磨損較嚴重。蝸輪蝸桿嚙合傳動時,嚙合輪齒間的相對滑動速度大,故摩擦損耗大、效率低。另一方面,相對滑動速度大使齒面磨損嚴重、發熱嚴重,為了散熱和減小磨損,常采用價格較為昂貴的減摩性與抗磨性較好的材料及良好的潤滑裝置,因而成本較高,蝸桿軸向力較大。
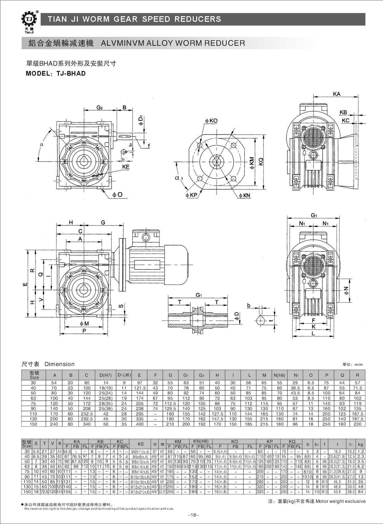
以下是NMRV減速電機,蝸輪蝸桿減速電機,鋁合金減速電機外形尺寸參數
























