您當前的位置:首頁 > 產品中心 > 無極變速機
下一篇:UDT摩擦無級變速器型號選型,UDT摩擦無級變速器尺寸參數
詳細介紹:
東莞臺機減速機公司生產廠家制造銷售的NMRV減速機,UDL無極變速機,異步電機采用進口原材料,臺灣生產加工技術,擁有十多年生產研發經驗,公司通過ISO9001質量管理體系認證和CE認證,質量放心可靠。一、NMRV減速機,UDL無極變速機,異步電機安裝:
1、輸出軸在加裝聯軸器、皮帶輪、鏈輪等時,請勿重擊。應用輸出軸外端螺孔,旋入螺釘,壓入聯接件。
2、在基礎上安裝底座式無級變速機時應校準該機的安裝中心線標高,水平度及相聯部件的相關尺寸,校準傳動軸的同軸度不應超過聯軸器允許的范圍。
3、立式MB無級變速機可任意角度安裝,油位必須超過較高一側的油標中心線。

二、NMRV減速機,UDL無極變速機,異步電機使用:
1、在使用前,無級變速機和減速機應分別加入指定的潤滑油。
2、MB無級變速機工作環境的溫度不超過40攝氏度,工作油溫表面不得超過70攝氏度。如較高的輸入轉數和新機使用時會出現略高的溫升,經飽和運轉80小時后,溫升逐漸降低,此后,溫升高于環境溫度20℃—25℃并保持穩定溫升。
3、MB無級變速機必須在開機情況下方可調速,否則將損壞零件。
4、無級變速機出廠時,調速限位螺釘已經調整在極限位置,不得任意調整,以免損壞零件。
5、無級變速機不得超過額定轉矩T使用。
6、無級變速機適用于正反兩向運轉。
7、如更換電機,應保留原裝油封的電機法蘭,以免潤滑油滑入電機。

NMRV減速機,UDL無極變速機,異步電機廣泛應用于食品機械、化工機械、印刷機械、造紙機械、紡織機械、橡膠機械、塑料機械、陶瓷機械、制藥機械及各種工作生產流水線中的要求工藝參數多變和速度連續變化的場合,還具備了在新產品試制過程中探求機器最佳的工作速度。
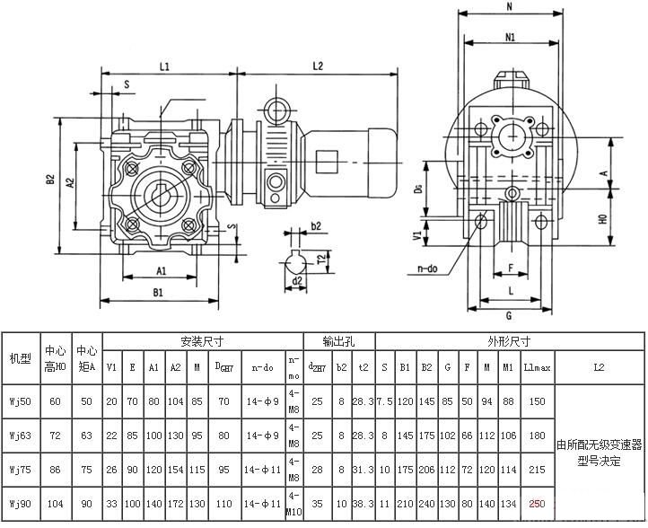
以下是NMRV減速機,UDL無極變速機,異步電機外形及安裝尺寸參數





















